APPLICATION NOTE NO. 8
SBE 28 Universal Opto-Isolated Junction Box
Application Instructions
Revised March 2001
The SBE 28 Opto-Isolated Junction Box is a multi-purpose accessory that provides a convenient power and/or data interface between many Sea-Bird instruments and the user's computer serial port. The opto box is AC powered, and configured for either 115 VAC operation (PN 90123) or 230 VAC operation (PN 90124). The interface box provides an optically coupled RS-232C standard interface and supplies an isolated +15 volt DC power supply to permit working without interference from shipboard power circuits and grounds.
The SBE 28 is intended to optically isolate a user's AC-powered computer from an SBE 16, 19, 20, 21,or 26 and provide power, up to 1 ampere, to a CTD or other real-time instrument and associated auxiliary sensors, without relying on internal batteries. The maximum cable length will be limited by the voltage drop due to the cable's resistance and the operating current requirement. SeaCATs with the internal opto-isolated line driver option for real-time telemetry over long cables cannot be powered by the SBE 28 opto box due to there being no connection between internal and external ground. Internal opto-isolation is a standard feature in the SBE 25 Sealogger CTD.
Instruments not equipped with the internal opto-isolated line driver option can receive external power through a data I/O connector with an external power pin which is diode-OR'd with the internal battery supply. Since the 15 volts from the opto box is greater than the normal battery voltage, the instrument will automatically draw power from the SBE 28, not its internal batteries. The Thermosalinograph does not have batteries, so it is always powered from the opto box.
Four cables are supplied when the SBE 28 is ordered:
SBE 28 opto box PN 90123 is configured for a power source of 115 VAC.
SBE 28 opto box PN 90124 is configured for a power source of 230 VAC.!!!!! DO NOT PLUG 230 VAC INTO AN OPTO BOX RATED FOR 115 VAC !!!!!
!!!!! SEVERE DAMAGE WILL OCCUR IF THIS HAPPENS !!!!!!

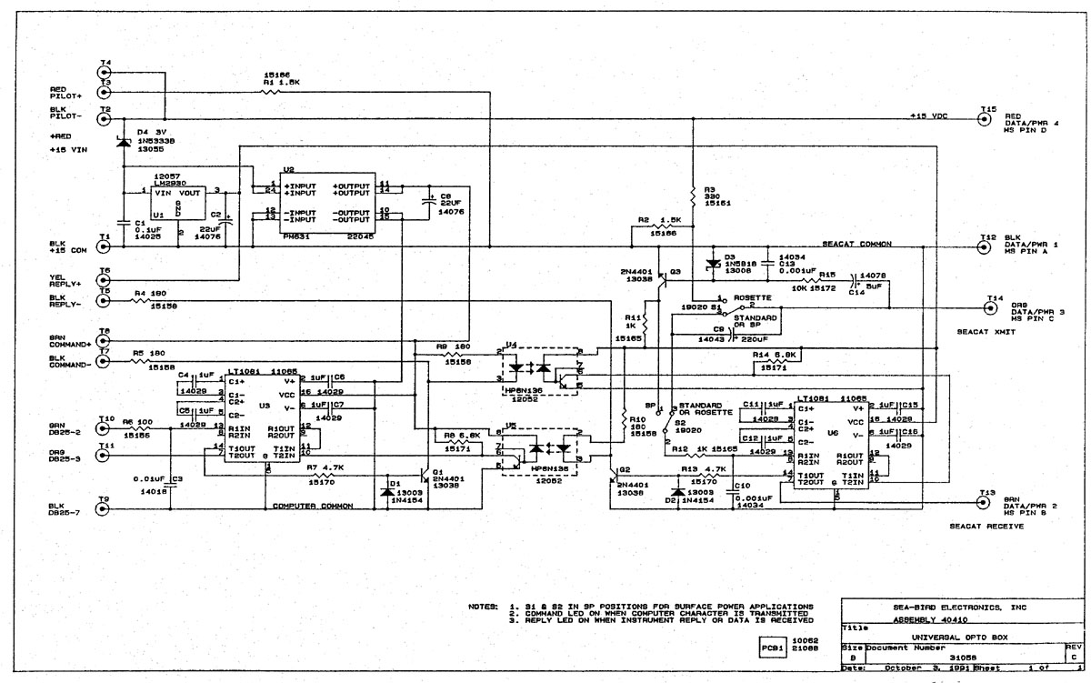
Drawing 40410: SBE 28 Unibox PCB Assembly

Drawing 31058: Universal Opto Box

Drawing 40415: Unibox Assembly 230 VAC

Drawing 31071: Unibox Wiring, 115 VAC

Drawing 31089: Unibox Wiring, 230 VAC

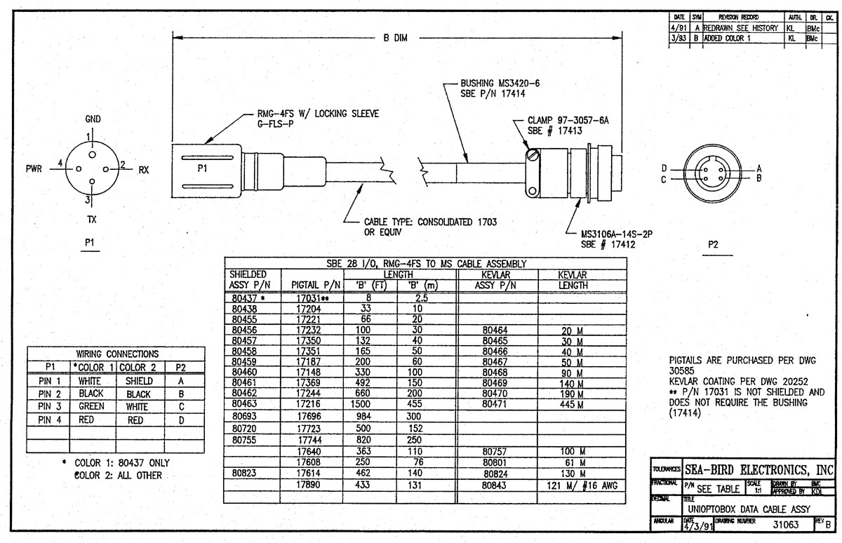
Drawing 31063: Unioptobox Data Cable Assembly
| Date | Description |
| Initial release. |
Sea-Bird Home Phone: (+1) 425-643-9866 E-mail: seabird@seabird.com