Sea-Bird Electronics              Products            Support            Software            Sales            Service            Search/Sitemap

APPLICATION NOTE NO. 22
Pump Speed Adjustment Instructions
Revised March 1991

Print version

NOTE: This application note does not apply to the SBE 5M, 5P, or 5T. For pump speed adjustment instructions for the SBE 5P or 5T, see Application Note 40.

The pump housing must be disassembled. Referring to drawings 40065 and 40020:

Drawing 40065 SBE 5 Submersible Pump (click on thumbnail to view full size drawing):

Drawing 40020 Pump Head Assembly (click on thumbnail to view full size drawing):

1. Remove the 4 screws holding the housing cap to the motor housing (2-56 UNC X 3/4).

2. Pull the housing cap out of the motor housing, using a rotating motion. It is not necessary to unsolder the wires leading to the underwater connector.

3. Most Sea-Bird SBE 5 Submersible Pumps with serial numbers below 125 have Cannon motors (round, brass-colored casing), while most with serial numbers above 125 have Pittman motors (rectangular black-colored casing marked 'elcom'). Remove the four M3X8 (metric) screws holding the motor to the housing cap (Pittman motors will be mounted with only 2 screws).

4. Supply 12 - 15 volts DC power at the 2-pin bulkhead connector (small pin +; large pin -), and use an ammeter (0 - 300 milliamperes range or greater) to measure the pump current.

5a. Speed adjustment, Cannon motor. Refer to schematic 30161. Use a counter to monitor the frequency at Pin 10 (brown motor wire); connect the counter ground to pump power supply (-). Motor speed in RPM is 5 times the frequency in Hz measured at Pin 10. Adjust the frequency with the 2K potentiometer (R1). Do not adjust the other pot (R2)! For 3000 RPM the frequency would be 600 Hz, however, the Cannon motor cannot run faster than about 2700 RPM. Load the motor (using light thumb and finger pressure on the rotating magnet) to increase the current to about 300 milliamperes. If the measured frequency changes by more than about 2 Hz, set a lower speed and try again.

Drawing 30161 Submersible Pump Motor (click on thumbnail to view full size drawing):

 

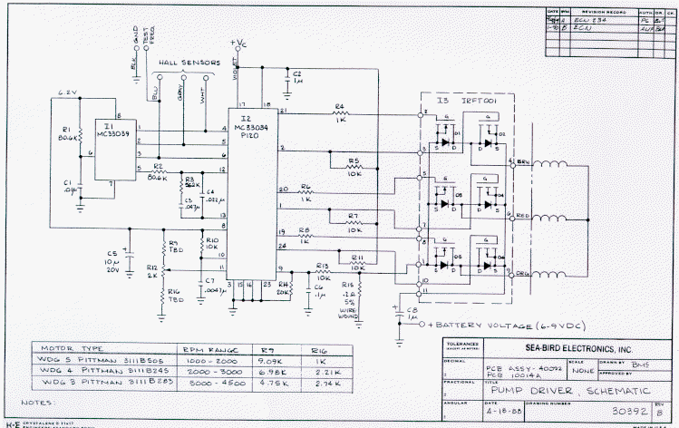
5b. Speed adjustment, Pittman motor. Refer to schematic 30392. Use a counter to monitor the frequency at the blue motor wire (some units have a turret to which the counter can be connected); connect the counter ground to pump power supply (-). The motor speed in RPM will be 30 times the frequency in Hz. If the desired speed cannot be set, change R9 to 2.21K and R16 to 453 ohms (R16 is on the underside of the printed board which will have to be unbolted from the motor for access; apply LockTite to the printed board mounting screws when re-mounting the board to the motor). Adjust the potentiometer to give the desired speed (for example, 100 Hz at the test point for 3000 RPM). Load the motor (using light thumb and finger pressure on the rotating magnet) to increase the current to about 300 milliamperes. If the measured frequency changes by more than about 0.5 Hz, set a lower speed and try again. Note: pumps marked 'WDG #4' or 'WDG #5' may not be adjustable to the speed desired; contact Sea-Bird for further information.

Drawing 30392 Pump Driver Schematic (click on thumbnail to view full size drawing):

 

6. Disconnect the counter and power supply. Reassemble the pump, reversing steps 1, 2 & 3. Be sure the O-ring and O-ring surfaces are clean and lightly greased before inserting the housing cap into the main housing.

Drawing 40092 PCB Assembly - Pump Driver (click on thumbnail to view full size drawing)

 


Application Note Revision History
Date Description
  Initial release.

[HRule Image]

Sea-Bird Home     Phone: (+1) 425-643-9866     E-mail: seabird@seabird.com